English
|
设为首页
|
加入收藏
公司简介
总经理致辞
发展历程
资质荣誉
行业新闻
企业新闻
图片新闻
产品展示
技术园地
生产车间
检测设备
研发能力
招聘职务
简历投递
组织机构
人才培养
留言版
查看留言
在线QQ
行业新闻
企业新闻
图片新闻
> 详细
Detailed
当前位置:
首页
->>详细
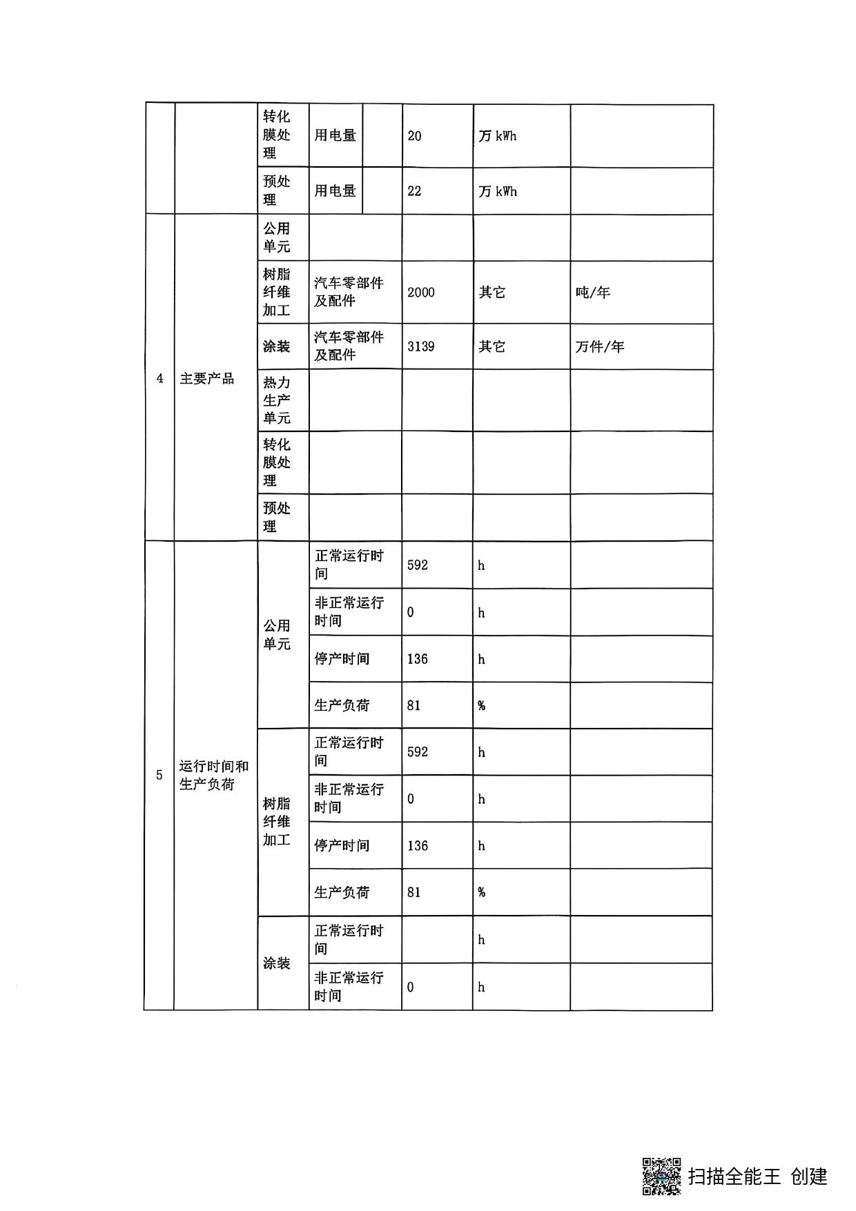
排污许可证执行报告2024年第一季度
发布时间:
[2025.07.24]
网站首页
|
走进振华
|
新闻中心
|
振华展厅
|
诚聘英才
|
合作伙伴
|
在线服务
|
联系我们
Copyright © 2007-2010 www.ccszh.com 版权所有 不得转载
吉ICP备10003898