English |设为首页 | 加入收藏
> 详细
Detailed
当前位置: 首页 ->>详细
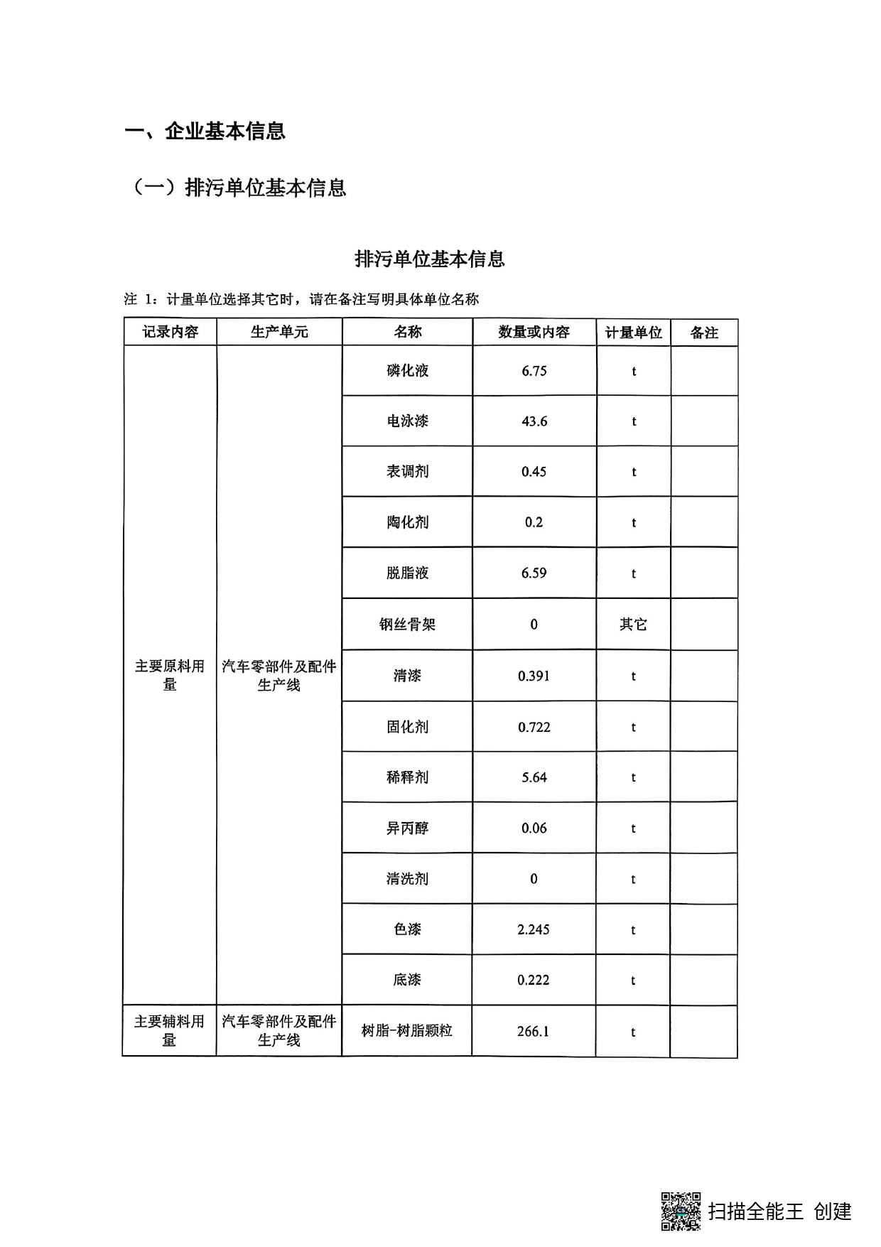
排污许可证执行报告2024年第二季度
发布时间:[2025.07.24]
    

网站首页 | 走进振华 | 新闻中心 | 振华展厅 | 诚聘英才 | 合作伙伴 | 在线服务 | 联系我们
Copyright © 2007-2010 www.ccszh.com 版权所有 不得转载 吉ICP备10003898